回流焊设备热学性能评测系统

Reliable/stable product surface treatment process

回流焊设备热学性能评测系统

Thermal Performance Evaluatlon System for Reflow Equipment

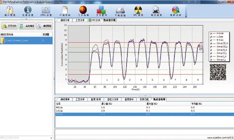
ESAMBER Reflow Explorer是一套针对SMT热风回流焊接 设备的专用热性能检测装备,对各温区数据采集,模拟不同产 品在实际生产过程中吸热的差异性,输出具备热风回流焊设备 的全面热学性能参数指标。

产品功能
  • 热均衡、热均匀、热冲击、热对流、热补偿等
  • 焊炉设备评测与检验
  • 焊接异常根因查找
  • 行业工艺参考标准
产品优点
  • 回流焊热力学性能曲面检测
  • 焊炉适用性评测
  • 行业标准,实施工具
  • 回流焊评估与定期检测
  • 产品焊接异常原因分析
  • 焊炉改造

应用领域

军工制造

Military manufacturing

半导体制造

Semiconductor manufacturing

消费电子

Consumer electronics

汽车电子

Automotive Electronics

产品参数

产品名称 回流焊设备热学性能评测系统
型号 ESAMBER RE 3836
尺寸(mm) 380(L)x360(W)*37.6(H)或定制规格
传感器 9通道温度传感器,3通道对流传感器,6通道热容传感器
热电偶型号 K型
测温范围 0 ~800°C
采样周期 0.1~400秒可调
精度 ±0.5°C
分辨率 0.1%
数据接口 USB2.0
电池 可充电电池
配套软件 ERES分析软件
软件系统 Win11/Win10(32/64bit)
软件语言 英文、简体中文、繁体中文